اندازه گیری روش های اختلاف فشار
اندازه گیری به روش اختلاف فشار:

در این روش که اندازه گیري جریان گاز به صورت غیر مستقیم و استنتاجی صورت می گیرد، مبناي کار تئوري برنولی می باشد. طبق تئوري برنولی تعادل انرژي در طرفین یک اریفیس یا رابط مانند لوله ي ونچوري به صورت زیر قابل ارائه می باشد :

انرژي پتانسیل + انرژي جنبشی + انرژي فشار= E2 = E1

E_1/m=P_1/ρ_1 +1/2 V_1^2+〖gz〗_1=E_2/m=P_2/ρ_2 +1/2 V_2^2+〖gz〗_2

که در آن:

E1 = انرژي قبل از اریفیس

E2 = انرژی پس از اریفیس

V1 = سرعت بالا دستی اریفیس

V2 = سرعت بالا دستی اریفیس

P1 = فشار قبل از اریفیس

P2 = فشار پس از اریفیس

Z1 = ارتفاع قبل از اریفیس

Z2 = ارتفاع پس از اریفیس

ρ_1 = دانسیته سیال

ρ_2 = دانسیته سیال

چنانچه سیال تراکم پذیر نباشد یا از تراکم آن صرف نظر نماییم آن گاه رابطه ي زیر صادق خواهد بود :

(V_2^2-V_1^2)/2=(P_1-P_2)/ρ

از آنجایی که Q1 = Q2 = Q و Q1 = A1V1 و Q2 = A2V2 می باشد خواهیم داشت:

QTH = A_2/√(1- (A_2/A_1 )^2 ) √(2(P_1-P_2 )/ρ)

به صورت ساده تر معادله به صورت زیر قابل بیان می باشد:

Qact = C√(P_1-P_2 )

اریفیس (Orifice Plate):

ارفیس یک صفحه تخت فلزي می باشد که در وسط آن یک سوراخ وجود دارد . این سوراخ باعث می شود که فشار سیال عبوري در خط کاهش پیدا کند . بنابراین با ایجاد اختلاف فشار در دو طرف اورفیس و اندازه گیري اختلاف فشار می توان میزان جریان عبوري از لوله را اندازه گیري کرد. اختلاف فشار با مجذور جریان سیال متناسب است. این روش ارزان ترین روش ایجاد افت فشار و تبدیل فشار دینامیک به استاتیک جهت محاسبه ي سرعت سیال می باشد. اشکال مختلف اریفیس در زیر آمده است:

اشکال مختلف اریفیس

شکل زیر الگوي سیال در یک لوله قبل و بعد از یک اریفیس و اختلاف فشار متناسب با آن را نشان می دهد :

الگوی جریان گاز در طرفین یک اریفیس

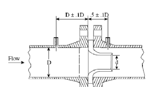
نازل (Nozzle Tube):

در نازل براي ایجاد اختلاف فشار از لوله ي هادي شکل با قطر ورودي به اندازه لوله ي بالادستی و قطر کوچک تر در پائین دستی استفاده می شود.

نازل

محل نصب پایه هاي فشار بالا و پایین سنسور اختلاف فشار به ترتیب به اندازه ي یک قطر لوله از بالادستی و نصف قطر لوله از پایین دستی می باشد .

ونچوری (Ventury Tube):

لوله ي ونچوري به صورت یک لوله با قطر ثابت در ورودي و خروجی و فلنج در طرفین آن می باشد و قطر این لوله در قسمت میانی به صورت خطی کاهش و از نیمه ها تا انتهاي آن افزایش می یابد (مانند دو مخروط به هم متصل شده) بدین ترتیب سیال عبوري داخل این لوله سرعت می گیرد و در انتها به حالت قبلی باز می گردد. مزیت این روش نسبت به یار فیس، مقاوم بودن در برابر خوردگی می باشد .

لوله ی ونچوری